Введение
В разделе собраны ответы на частые технические вопросы о разъёмных малогабаритных трубчатых печах, таких как СУОЛ-0,25.1,1/11 МР, используемых для микроанализа, определения серы (ГОСТ 1437-75) и других термических исследований. Основная особенность печей — распашной корпус, позволяющий легко устанавливать и извлекать рабочую кварцевую трубку с образцом.
Содержание
- Габариты и размеры рабочей зоны
- Конструкция и теплоизоляция
- Температурный режим и рабочая зона
- Питание и управление
- Конструктивное исполнение и установка
- Ресурс и длительная работа
- Термопары
- Изменения конструкции
- Применение в соответствии с ГОСТами
1. Габариты и размеры рабочей зоны
- Вопрос: Наш реактор имеет наружный диаметр 25 мм и длину 130 мм. Подойдёт ли ваша печь модели СУОЛ-0,25.1,1/11 МР?
- Ответ: Модель СУОЛ-0,25.1,1/11 МР подходит по диаметру, но с важными оговорками.
- Диаметр: Печь рассчитана на внутренний диаметр рабочего пространства 25 мм. Трубка (реактор) с наружным диаметром 25 мм может входить плотно или с минимальным зазором. Важно учесть: как внутренний размер печи, так и размеры реактора имеют производственные допуски.
- Для обеспечения надежного теплового контакта и компенсации этих допусков мы рекомендуем:
- При заказе печи под конкретный реактор — указать точный наружный диаметр трубки и тепловое расширение материалов.
- При наличии зазора — использовать термостойкую вату для уплотнения.
- Фланцы печи выполнены из обрабатываемых материалов, что при необходимости позволяет их аккуратно подогнать.
- Длина: Общая длина печи (корпуса) составляет 125 мм, а длина равномерной рабочей зоны нагрева — 110 мм. Это означает, что участок вашего реактора длиной 110 мм будет находиться в зоне с гарантированной равномерностью температуры. Если активный слой катализатора в вашей трубке длиной 130 мм должен прогреваться полностью, необходимо учитывать эту разницу. Для более длинных образцов существуют другие модели печей.
При заказе печи под конкретный реактор необходимо указать точный наружный диаметр трубки. Вы можете сделать это в комментариях к заказу товара «СУОЛ-0,25.1,1/11 МР» или связавшись с нами.
2. Конструкция и теплоизоляция
- Вопрос: Печь должна быть теплоизолированной для работы при 700°C.
- Ответ: Печь имеет теплоизоляцию, достаточную для безопасной работы и поддержания заданной температуры. Однако это специальное компактное исполнение для микроанализа, где зачастую важен не только быстрый нагрев, но и быстрое охлаждение образца после анализа. Поэтому теплоизоляция здесь минимальна и оптимизирована под данные задачи.
- Для сравнения: Печи для длительных термостатирований или работы с большими объёмами (например, СУОЛ-0,44.1,1/) имеют полноценную, мощную теплоизоляцию.
3. Температурный режим и рабочая зона
- Вопрос: Печь СУОЛ-0,25.1,1/11 МР должна обеспечивать температуру не менее 700°C по всей высоте рабочей зоны.
- Ответ: Номинальная температура печи — 1100°C, поэтому задача в 700°C выполнима. Важно различать два параметра:
- Длина камеры: 125 мм.
- Длина калиброванной рабочей зоны с гарантированной равномерностью температуры: 110 мм (указана в характеристиках).
Именно на этом участке в 110 мм можно ожидать стабильного поддержания заданной температуры (например, 700°C). Концы печи за пределами этой зоны будут иметь температурный градиент.
4. Питание и управление
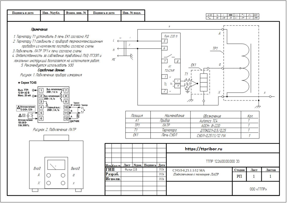
- Вопрос: Нужно питание 220В. Как регулируется температура?
- Ответ:
- Напряжение питания: Печь низковольтная (рабочий элемент рассчитан на безопасное напряжение), но подключается к сети 220В 50Гц через блок управления или автотрансформатор.
- Классический метод регулирования (для анализа): Используется Лабораторный Автотрансформатор (ЛАТР), например, АОСН-8-220. Он плавно регулирует подаваемое на печь напряжение, изменяя её мощность и, соответственно, температуру. Это проверенный десятилетиями метод, привычный для многих лабораторий

Для методик, описанных в ГОСТах, часто достаточно ЛАТРа, а для длительных или программных нагревов в материаловедении предпочтительнее цифровой блок. управления.
Обратите, пожалуйста, внимание — указанная схема с ручным регулированием и необходимостью постоянного визуального контроля температуры.
- Современный метод: Цифровой блок управления (например, печной контроллер серии ПК) обеспечивает более точную стабилизацию температуры, возможность задания программ нагрева и часто имеет функцию ограничения максимального напряжения для продления ресурса печи (срока службы нагревателей), что важно для длительных экспериментов.



- Вопрос: Имеется ли гальваническая развязка?
- Ответ:
- НЕТ: Оборудование относится к классу промышленного. Несмотря на то что блоки обеспечивают регулирование вторичного напряжения питания, в стандартном исполнении они не имеют гальванической развязки от сети. Безопасность обеспечивается оснащением производственного (лабораторного) помещения, присоединением оборудования к заземлению и аккуратным обращением. Разделительный трансформатор можно приобрести отдельно.
5. Конструктивное исполнение и установка
- Вопрос: Печь должна быть разъёмной и работать в вертикальном положении.
- Ответ:
- Конструкция: Модель с индексом «МР» в названии — это и есть Микроанализ, Разъёмная (распашная). Она полностью соответствует требованию.
- Установка: Печь поставляется с лабораторным штативом (например, ШЛУ-1), который позволяет надежно зафиксировать её в любом положении — горизонтальном, вертикальном или под углом — в зависимости от требований вашей методики.
Готовы обсудить конфигурацию установки для ваших методик? Наши инженеры помогут подобрать оптимальное решение. Заполните форму запроса или напишите на info@ttpribor.ru.
6. Ресурс и длительная работа
- Вопрос: Нужна возможность работы при 700°C в течение 8 часов (рабочего дня).
- Ответ: Это важный вопрос для обсуждения с техническим специалистом или конструктором.
- Возможность работы: При температуре 700°C (что значительно ниже максимальных 1100°C) печь способна работать в течение длительного времени.
- Влияние на ресурс: Ресурс нагревательных элементов любой высокотемпературной печи обратно зависит от рабочей температуры. Чем выше и дольше нагружена печь, тем больше сокращается срок службы.
- Рекомендация для длительных экспериментов: Для повышения надёжности и долговечности при циклических или продолжительных включениях настоятельно рекомендуется использовать не простой ЛАТР, а блок управления с функцией стабилизации и ограничения напряжения. Это позволяет снизить тепловую нагрузку на элементы в установившемся режиме и избежать пиковых перегрузок.
7. Термопары
- Вопрос: Поставляется ли термопара в малогабаритных трубчатых печах СУОЛ?
- Ответ: Нет. Термопары в комплект не входят. Отверстий для термопары в печи нет.
- В соответствии с основными РД, в которых описаны методики анализа, термопара вставляется вместе с образцом. Если термопару вы установите самостоятельно и вам необходимо отверстие — это необходимо указать в заказе и зафиксировать в счёте. Диаметр отверстия — не более 5 мм.
- Вопрос: Как выбрать термопару для малогабаритных трубчатых печей СУОЛ?
- Ответ: Выбор термопары зависит от максимальной рабочей температуры, необходимого ресурса и экономической целесообразности. Мы предлагаем следующие модели:
* ДТПS021.1-0,5/0,25 — максимальная рабочая температура до 1200 °С.
* ДТПК021-0,5/0,25 — максимальная рабочая температура до 1100 °С.
Мы рекомендуем данные модели, как мало инерционные и наиболее соответствующие точным экспериментам.


- Вопрос: Что ещё необходимо при покупке (выборе) термопар?
- Ответ: Для точного измерения, необходимо соединить термопару с блоком управления. Для этого используется специальный провод. Характеристика провода должна соответствовать характеристике термопары. При стандартной поставке длина провода, поставляемого с печным контроллером — 1500 мм.
- Вопрос: Почему рекомендуемые термопары существенно длиннее рабочей зоны печи?
- Это связано с конструктивными особенностями малогабаритных печей. Длинный измерительный наконечник термопары обеспечивает его правильное позиционирование в центре рабочей зоны, а также позволяет легко перемещать его для калибровки и точного определения изотермической зоны. Несмотря на внешний вид, это наиболее надёжное и практичное решение для точного измерения температуры образца, проверенное многолетним опытом эксплуатации.
8. Изменение конструкции
Вопрос: Могу я заказать печь с изменениями в стандартной конструкции (другие размеры, дополнительные элементы, иное исполнение)?
Ответ: Да, такая возможность есть. Благодаря собственному производству мы можем рассмотреть внесение изменений в конструкцию печи под ваши задачи. Мы всегда идём навстречу пожеланиям заказчика.
Обратите внимание:
- Обязательность документального оформления: Все обговоренные изменения и дополнения к стандартной конструкции обязательно должны быть внесены в техническую спецификацию (техническое задание) на изделие.
- Производство по спецификации: Изготовление ведётся строго в соответствии с утверждённой и согласованной спецификацией. Это является гарантией того, что вы получите именно то изделие, которое заказывали.
- Согласование сроков и стоимости: Нестандартные изменения могут повлиять на сроки изготовления и стоимость оборудования. Эти вопросы обсуждаются и фиксируются до начала производства.
9. Применение в соответствии с ГОСТами и типовые установки
- Вопрос: Мы планируем проводить анализ по ГОСТ 1437-75 (сера) и РД 34.44.206-93 (водород). Подойдёт ли одна печь СУОЛ-0,25.1,1/11 МР?
- Ответ: Для определения серы по ГОСТ 1437-75 достаточно одной печи, которая обеспечит температуру сжигания 900–950 °C.
- Для определения водорода по РД 34.44.206-93 требуется сборка каскадной установки из четырёх печей для создания разных температурных зон. Конструкция серии МР идеально для этого подходит. Подробнее о принципах построения таких систем и применяемых методиках читайте в нашей статье «Модульные лабораторные печи СУОЛ…».
- Вопрос: Можно ли использовать эти печи для элементного CHNS-анализа?
- Ответ: Да, печи СУОЛ являются классическим и проверенным решением для подготовки проб в элементном микроанализе. Они служат высокотемпературным блоком сжигания. Возможность каскадной сборки позволяет создавать сложные температурные профили, необходимые для современных методик.
Итог: Печь серии СУОЛ-…МР — это специализированный, точный инструмент для лабораторного микроанализа. Её ключевые преимущества — компактность, быстрый нагрев/охлаждение и удобная разъёмная конструкция. Для успешной и долговечной работы, особенно в нестандартных условиях (длительные циклы), крайне важно правильно подобрать комплект управления и заранее обсудить специфику эксперимента с поставщиком.
Остались вопросы? Напишите нам на адрес info@ttpribor.ru. Компания «ТТП» обладает многолетним опытом разработки и производства лабораторного печного оборудования и готова помочь в решении ваших задач.